
- 产品简介
- 产品性能
- 应用范围
施乐百 德国ziehl-abegg风扇 FB050-4EK.4I.V4L
类型 轴流风扇
品牌 ziehl-abegg
型号 FB050-4EK.4I.V4L
电压 400(V)
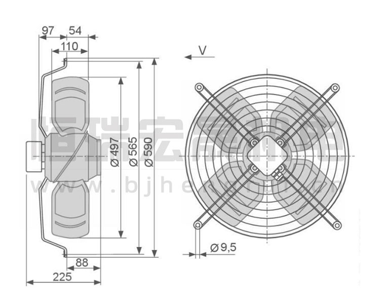
风叶直径 500 MM
防护等级 IP54
德国ziehl-abegg FB050-4EK.4I.V4L 风机结构图

北京18luck推荐宏晟机电设备有限公司经营离心风机、轴流风扇、贯流风扇、变频器风扇数十年,产品汇聚世界风机风扇品牌,长期供应德国ziehl-abegg(施乐百)风机,型号齐全,大量现货,全新原装,欢迎垂询!
施乐百 德国ziehl-abegg风扇 FB050-4EK.4I.V4L
类型 轴流风扇
品牌 ziehl-abegg
型号 FB050-4EK.4I.V4L
电压 400(V)
风叶直径 500 MM
防护等级 IP54
德国ziehl-abegg FB050-4EK.4I.V4L 风机结构图

北京18luck推荐宏晟机电设备有限公司经营离心风机、轴流风扇、贯流风扇、变频器风扇数十年,产品汇聚世界风机风扇品牌,长期供应德国ziehl-abegg(施乐百)风机,型号齐全,大量现货,全新原装,欢迎垂询!
施乐百 ziehl-abegg风机 FB050-4EK.4I.V4L 散热风扇
新利网站怎么样是一家从事风机及工控产品销售的企业,主要提供通风散热产品和工控系统配件,产品广泛应用于通风、空调、制冷、供暖、电气自动化、变频器、轨道交通、HVAC(FFU/AHU)、空气净化、风电发电、工业医疗、新能源汽车等多个行业。
风机问题在线解答:
FN050-VDK.4I.A7
FC063-4DQ.6K.A7
FB063-6EK.4I.V4P
FB050-4EK.4I.V4P
RH50E-4DK.6K.1R
RH45M-4DK.4I.1R
FN035-4DQ.0F.A7P2
RD13S-2EP.WC.1R
FN080-SDK.6N.V7P5
FN080-SDA.6N.V7P5
FN080-SDA.6N.V7P2
FN071-SDK.6F.V7P1
FN063-VDK.6N.V7P7
FN063-SDS.4I.V7P1
FN045-4EK.2F.V7P2
FE080-SDQ.6N.V7P
FE080-SDK.6N.V7
FE050-VDK.4I.V
FB050-VDK.4I.V4S
FB050-6EK.4F.V4P
FC080-VDA. 7Q. V4
FC050-6DA.4C.A7
FC040-4DQ.2F.A7
新利网站怎么样专业提供变频器、轨道交通、空气净化、新能源汽车等领域的通风散热制冷配件,风机型号齐全,全新原装,现货库存,期待您咨询采购!