
- 产品简介
- 产品性能
- 应用范围
G4D310-DK03-05/F02 ebmpapst 风电逆变器风机
类型 离心风扇
品牌 ebmpapst
型号 G4D310-DK03-05/F02
电机功率 2180(w)
电压 400(V)
电流 3.9(A)
风叶直径 310mm
转速 1310(r/min)
德国ebmpapst G4D310-DK03-05/F02离心风机实拍图
北京18luck推荐宏晟机电设备有限公司经营离心风机、轴流风扇、贯流风扇、变频器风扇数十年,产品汇聚世界风机风扇品牌,长期供应德国ebmpapst(依必安派特)风机,型号齐全,大量现货,全新原装,欢迎垂询!
德国ebmpapst G4D310-DK03-05/F02 风电逆变器风扇
类型 离心风扇
品牌 ebmpapst
型号 G4D310-DK03-05/F02
电机功率 2180(w)
电压 400(V)
电流 3.9(A)
风叶直径 310mm
转速 1310(r/min)
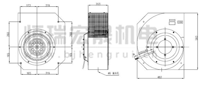
德国ebmpapst G4D310-DK03-05/F02风机规格图

德国ebmpapst G4D310-DK03-05/F02风机曲线图

北京18luck推荐宏晟机电设备有限公司经营离心风机、轴流风扇、贯流风扇、变频器风扇数十年,产品汇聚世界风机风扇品牌,长期供应德国ebmpapst(依必安派特)风机,型号齐全,大量现货,全新原装,欢迎垂询!
德国ebmpapst风扇G4D310-DK03-05/F02 应用于风电行业
风力发电可分为陆上风力发电和海上风力发电,风电机组是风力发电的重要组成部分。它设置在空间有限的风电舱室内,其工作过程中会产生大量热量。为保证风电机组的正常运行,则需要风机将这些工作热量及时疏散。
经过气流的正压导入,及在机组内的分流,风机对机组内各部件进行降温,提高了降温的效率和效果。风电机组舱室空间有限,风机结构紧凑,安装便利;高防尘防水等级为风电机组的正常运行提供保障。
风机问题在线解答:
2、怎样安装风力发电风机?
3、怎样延长风机使用寿命?
更多风机技术问题请联系客服▷
其他热门型号推荐:
D2E133-AM47-01/A01
G4D200-CD04-28
G4D250-CG07-01/F01
G4D310-DK03-05/F02
G4D355-CM15-XA/F02
G2E146-DW07-01
R2E220-AA40-B8
8314HU
612F
514F
R2E225-BD92-09
G4D200-CD04-14
G4D200-CL12-01
D2E146-AP47-B8
新利网站怎么样专业提供变频器、轨道交通、空气净化、燃气锅炉、新能源汽车等领域的通风散热制冷配件,风机型号齐全,全新原装,现货库存,期待您咨询采购!