新利官网登录
Products
< 返回上一级
ebmpapst
-
后向离心风机
-
前向离心鼓风机
-
紧凑型风扇
-
A系列轴流风机
-
S系列轴流风机
-
W系列轴流风机
-
横流风机
-
燃气鼓风机
-
热风鼓风机
-
电机
-
18luck新利下载
ZIEHL-ABEGG(施乐百)
-
轴流风机
-
离心风机
-
横流风机
-
电机
-
EC风机
WISTRO
-
wistro风机
-
外置风机单元
-
内置轴流风扇
rosenberg(洛森)
-
rosenberg(洛森)
-
ECOFIT
-
ETRI
DELTA(台达)
-
轴流风机
-
滤波器
SUNON
-
DC风机
-
AC风机
-
EC风机
行业应用
-
HVAC
-
变频器风机
-
电机散热风扇
-
储能
-
通风散热
-
净化行业
-
轨道交通
-
制热
-
工业自动化
-
风电行业
-
防水风扇
-
医疗设备
-
制冷
-
汽车大巴
-
IT/电信
-
UPS电源
SANYO DENKI (山洋)
-
SANYO DENKI (山洋)风扇
18luck新利下载
-
18luck新利下载
S&P
-
S&P
-
EMC
NMB
-
轴流风扇
IKURA
-
轴流风扇
-
鼓风机
-
横流风扇
ROYAL
-
轴流风机
雷普
-
风扇及过滤器
-
变压器
mdexx(美德克斯)
-
MDEXX风机
-
mdexx风机
ADDA(协喜)
-
ADDA(协喜)风扇
Hengrui
-
AC风扇
-
DC风扇
-
EC风扇
-
微型风扇
RC-TECHNIK
-
RC-TECHNIK风机
其他
-
其他风机
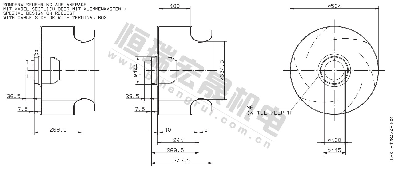
RH50M-6EK.4F.1R
品牌系列:ZIEHL-ABEGG
产品型号:RH50M-6EK.4F.1R
产品类别:AC离心风机
销售热线:010-62520855